PINE TECHNOLOGY
PT-606E
| 
 Card Type  | 
 Controller card  | 
| 
 Maximum Onboard Memory  | 
 Unidentified  | 
| 
 Hard Drives supported  | 
 Two IDE (AT) drives  | 
| 
 Floppy drives supported  | 
 Two 360KB, 720KB, 1.2MB, or 1.44MB drives  | 
| 
 I/O Options  | 
 Floppy drive interface, game port, IDE interface (2), parallel port, serial ports (2)  | 
| 
 Data Bus  | 
 16-bit ISA  | 
| 
 Card Size  | 
 Half-length, full-height  | 
| 
 CONNECTIONS  | |||
| 
 Function  | 
 Label  | 
 Function  | 
 Label  | 
| 
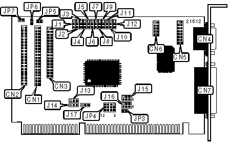
 40-pin secondary IDE(AT) connector  | 
 CN1  | 
 10-pin serial port 2 - internal  | 
 CN6  | 
| 
 40-pin primary IDE(AT) connector  | 
 CN2  | 
 25-pin parallel port - external  | 
 CN7  | 
| 
 34-pin cable connector - floppy drive  | 
 CN3  | 
 2-pin connector - primary IDE drive active LED  | 
 JP6  | 
| 
 9-pin serial port 1 - external  | 
 CN4  | 
 2-pin connector - secondary IDE drive active LED  | 
 JP7  | 
| 
 16-pin game port - internal  | 
 CN5  | ||
| 
 USER CONFIGURABLE SETTINGS  | |||
| 
 Function  | 
 Label  | 
 Position  | |
| » | 
 Game port enabled  | 
 J1  | 
 Pins 1 & 2 closed  | 
| 
 Game port disabled  | 
 J1  | 
 Pins 2 & 3 closed  | |
| » | 
 Floppy drive interface enabled  | 
 J3  | 
 Pins 1 & 2 closed  | 
| 
 Floppy drive interface disabled  | 
 J3  | 
 Pins 2 & 3 closed  | |
| » | 
 Primary IDE enabled  | 
 J5  | 
 Pins 1 & 2 closed  | 
| 
 Primary IDE disabled  | 
 J5  | 
 Pins 2 & 3 closed  | |
| » | 
 Secondary IDE enabled  | 
 J6  | 
 Pins 1 & 2 closed  | 
| 
 Secondary IDE disabled  | 
 J6  | 
 Pins 2 & 3 closed  | |
| » | 
 External floppy enabled  | 
 J12  | 
 Pins 1 & 2 closed  | 
| 
 External floppy disabled  | 
 J12  | 
 Pins 2 & 3 closed  | |
| » | 
 ECP enabled  | 
 J13  | 
 Pins 1 & 2 closed  | 
| 
 ECP disabled  | 
 J13  | 
 Pins 2 & 3 closed  | |
| » | 
 Factory configured - do not alter  | 
 J14  | 
 Pins 1 & 2 closed  | 
| » | 
 Factory configured - do not alter  | 
 J17  | 
 Unidentified  | 
| » | 
 IOCHRDY signal enabled  | 
 JP3  | 
 Closed  | 
| 
 IOCHRDY signal disabled  | 
 JP3  | 
 Open  | |
| » | 
 IDE channels use same IDE LED  | 
 JP5  | 
 Closed  | 
| 
 IDE channels use separate IDE LEDs  | 
 JP5  | 
 Open  | |
| 
 PARALLEL PORT ADDRESS SELECTION  | ||
| 
 Setting  | 
 J4  | |
| » | 
 LPT1 (378h)  | 
 Pins 1 & 2 closed  | 
| 
 LPT2 (278h)  | 
 Pins 2 & 3 closed  | |
| 
 SERIAL PORT ADDRESS SELECTION  | ||||
| 
 Setting  | 
 J7  | 
 J8  | 
 J9  | 
 J10  | 
| 
 COM1 (3F8h)  | 
 Pins 1 & 2 closed  | 
 Pins 1 & 2 closed  | 
 N/A  | 
 N/A  | 
| 
 COM2 (2F8h)  | 
 N/A  | 
 N/A  | 
 Pins 1 & 2 closed  | 
 Pins 1 & 2 closed  | 
| 
 COM3 (3E8h)  | 
 Pins 1 & 2 closed  | 
 Pins 2 & 3 closed  | 
 N/A  | 
 N/A  | 
| 
 COM4 (2E8h)  | 
 N/A  | 
 N/A  | 
 Pins 1 & 2 closed  | 
 Pins 2 & 3 closed  | 
| 
 Disabled  | 
 Pins 2 & 3 closed  | 
 N/A  | 
 Pins 2 & 3 closed  | 
 N/A  | 
| 
 INTERRUPT SELECTION  | ||
| 
 IRQ (Send)  | 
 IRQ (Receive)  | 
 JP4  | 
| 
 3  | 
 3  | 
 Pins 11 & 12 closed  | 
| 
 3  | 
 4  | 
 Pins 10 & 11 closed  | 
| 
 4  | 
 3  | 
 Pins 8 & 9 closed  | 
| 
 4  | 
 4  | 
 Pins 7 & 8 closed  | 
| 
 5  | 
 3  | 
 Pins 5 & 6 closed  | 
| 
 5  | 
 4  | 
 Pins 4 & 5 closed  | 
| 
 9  | 
 3  | 
 Pins 2 & 3 closed  | 
| 
 9  | 
 4  | 
 Pins 1 & 2 closed  | 
| 
 PARALLEL PORT MODE SELECTION  | |||
| 
 Setting  | 
 J2  | 
 J11  | |
| » | 
 SPP  | 
 Pins 2 & 3 closed  | 
 Pins 1 & 2 closed  | 
| 
 ECP  | 
 Pins 1 & 2 closed  | 
 Pins 1 & 2 closed  | |
| 
 EPP  | 
 Pins 1 & 2 closed  | 
 Pins 2 & 3 closed  | |
| 
 DACK/DRQ SELECTION  | |||||
| 
 Setting  | 
 DACK  | 
 DRQ  | 
 J15  | 
 J16  | |
| » | 
 SPP  | 
 N/A  | 
 N/A  | 
 Pins 5 & 6 closed  | 
 Pins 1 & 2 closed  | 
| 
 ECP/EPP  | 
 3  | 
 1  | 
 Pins 1 & 2 closed  | 
 Pins 3 & 4 closed  | |
| 
 ECP/EPP  | 
 3  | 
 3  | 
 Pins 3 & 4 closed  | 
 Pins 5 & 6 closed  | |