ZOOM TELEPHONICS, INC.
COMSTAR 28800
| 
 Card Type  | 
 Fax, Modem (asynchronous), Voice  | 
| 
 Chip Set  | 
 Unidentified  | 
| 
 I/O Options  | 
 Speakerphone, Voice mail  | 
| 
 Maximum Data Rate  | 
 28.8Kbps  | 
| 
 Maximum Fax Rate  | 
 14.4Kbps  | 
| 
 Data Bus  | 
 8-bit ISA  | 
| 
 Fax Class  | 
 Class I & II  | 
| 
 Data Modulation Protocol  | 
 Bell 103/212A ITU-T V.21, V.22, V.22bis, V.23, V.32, V.32bis, V.34  | 
| 
 Fax Modulation Protocol  | 
 ITU-T V.17, V.21CH2, V.27ter, V.29, V.33  | 
| 
 Error Correction/Compression  | 
 MNP10, V.42bis  | 

| 
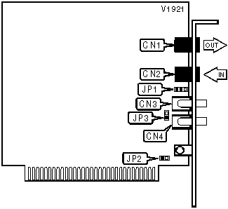
 CONNECTIONS  | ||||||
| 
 Function  | 
 Label  | 
 Function  | 
 Label  | |||
| 
 Line out  | 
 CN1  | 
 Microphone  | 
 CN3  | |||
| 
 Line in  | 
 CN2  | 
 Speaker  | 
 CN4  | |||
| 
 USER CONFIGURABLE SETTINGS  | ||
| 
 Function  | 
 Label  | 
 Position  | 
| 
 í Electret microphone | 
 JP1  | 
 Pins 1 & 2 closed  | 
| 
 Plantronics headset  | 
 JP1  | 
 Pins 2 & 3 closed  | 
| 
 Dynamic microphone  | 
 JP1  | 
 Open  | 
| 
 í Unpowered speaker, volume medium level | 
 JP2  | 
 Closed  | 
| 
 Powered speaker, volume low level  | 
 JP2  | 
 Open  | 
| 
 Volume high level  | 
 JP2  | 
 Closed  | 
| 
 í Unpowered speaker, volume medium level | 
 JP3  | 
 Closed  | 
| 
 Powered speaker, volume low level  | 
 JP3  | 
 Open  | 
| 
 Volume high level  | 
 JP3  | 
 Open  | 
Proprietary AT Command Set
| 
 AUTO-RETRAIN - AUTO-FALLBACK/FALL-FORWARD  | |
| 
 Type:  | 
 Configuration  | 
| 
 Format:  | 
 AT [cmds] %En [cmds]  | 
| 
 Description:  | 
 Controls auto-retrain mode and auto-fallback/fall-forward  | 
| 
 Command  | 
 Function  | 
| 
 %E0  | 
 Auto-retrain disabled  | 
| 
 %E1  | 
 Auto-retrain enabled  | 
| 
 í %E2 | 
 Auto-fallback/fall-forward enabled  | 
| 
 %E3  | 
 Auto-retrain enabled with fast hang-up  | 
| 
 BIT MAPPED REGISTERS  | |
| 
 Register  | 
 Default  | 
| 
 S14  | 
 Unidentified  | 
| 
 S16  | 
 Unidentified  | 
| 
 S21  | 
 Unidentified  | 
| 
 S22  | 
 Unidentified  | 
| 
 S23  | 
 Unidentified  | 
| 
 S27  | 
 Unidentified  | 
| 
 S28  | 
 Unidentified  | 
| 
 S31  | 
 Unidentified  | 
| 
 S40  | 
 Unidentified  | 
| 
 S41  | 
 Unidentified  | 
| 
 BREAK SEND  | |
| 
 Type:  | 
 Configuration  | 
| 
 Format:  | 
 AT [cmds] \Bn [cmds]  | 
| 
 Default:  | 
 3  | 
| 
 Range:  | 
 1-9  | 
| 
 Unit:  | 
 .1 second  | 
| 
 Description:  | 
 Sends break to modem  | 
| 
 BREAK TYPE  | |
| 
 Type:  | 
 Configuration  | 
| 
 Format:  | 
 AT [cmds] \Kn [cmds]  | 
| 
 Description:  | 
 Configures action of break signal  | 
| 
 CALLER ID  | |
| 
 Type:  | 
 Configuration  | 
| 
 Format:  | 
 AT [cmds] #CID=n [cmds]  | 
| 
 Description:  | 
 Controls the Caller ID function  | 
| 
 Command  | 
 Function  | 
| 
 #CID=0  | 
 Caller ID disabled  | 
| 
 #CID=1  | 
 Caller ID enabled  | 
| 
 COMPRESSION  | |
| 
 Type:  | 
 Configuration  | 
| 
 Format:  | 
 AT [cmds] %Cn [cmds]  | 
| 
 Description:  | 
 Selects data compression  | 
| 
 Command  | 
 Function  | 
| 
 %C0  | 
 Data compression disabled  | 
| 
 %C1  | 
 MNP5 enabled  | 
| 
 %C2  | 
 V.42bis enabled  | 
| 
 í %C3 | 
 MNP5 and V.42bis enabled  | 
| 
 CONNECT MODE  | |
| 
 Type:  | 
 Configuration  | 
| 
 Format:  | 
 AT [cmds] \Nn [cmds]  | 
| 
 Description:  | 
 Controls the type of connection the modem will operate in  | 
| 
 Command  | 
 Function  | 
| 
 \N0  | 
 Normal mode enabled  | 
| 
 \N1  | 
 Direct mode enabled  | 
| 
 \N2  | 
 Reliable mode enabled  | 
| 
 í \N3 | 
 Auto-reliable mode enabled  | 
| 
 \N4  | 
 LAP-M error correcting only enabled  | 
| 
 \N5  | 
 MNP error correcting only enabled  | 
| 
 DIAL  | |
| 
 Type:  | 
 Immediate  | 
| 
 Format:  | 
 AT [cmds] D <#> [cmds] | 
| 
 Description:  | 
 Dials telephone number according to any modifiers included in the string  | 
| 
 Modifier  | 
 Function  | 
| 
 L  | 
 Redials last number  | 
| 
 P  | 
 Pulse dialing enabled  | 
| 
 T  | 
 Tone dialing enabled  | 
| 
 W  | 
 Dialing resumed following dial tone detection  | 
| 
 ,  | 
 Dialing paused for amount of time specified in S8 register  | 
| 
 @  | 
 Modem waits for a ring-back signal followed by silence up to 5 second prior to executing the rest of the dial string.  | 
| 
 R  | 
 Command recognized and not initiated  | 
| 
 ;  | 
 Modem returned to command mode after dialing.  | 
| 
 !  | 
 Flash function initiated. Goes on-hook for amount of time specified in S29 register  | 
| 
 S=(0-3)  | 
 Number in memory location &Zn dialed  | 
| 
 ^  | 
 Calling tone enabled, data mode only.  | 
| 
 FLASH DIAL MODIFIER TIME  | |
| 
 Type:  | 
 Register  | 
| 
 Format  | 
 AT [cmds] S29=n [cmds]  | 
| 
 Default:  | 
 70  | 
| 
 Range:  | 
 0-255  | 
| 
 Unit:  | 
 .01 second  | 
| 
 Description:  | 
 Time the modem will go on-hook upon receiving the ! dial modifier in dial string.  | 
| 
 FLOW CONTROL  | |
| 
 Type:  | 
 Configuration  | 
| 
 Format:  | 
 AT [cmds] \Gn [cmds]  | 
| 
 Description:  | 
 Selects modem port flow control  | 
| 
 Command  | 
 Function  | 
| 
 í \G0 | 
 Flow control disabled  | 
| 
 \G1  | 
 Flow control enabled  | 
| 
 FLOW CONTROL  | ||
| 
 Type:  | 
 Register  | |
| 
 Format:  | 
 AT [cmds] S39=n [cmds]  | |
| 
 Description:  | 
 Select the type of flow control used  | |
| 
 Command  | 
 Function  | |
| 
 S39=0  | 
 Flow control disabled  | |
| 
 í S39=3 | 
 Hardware flow control enabled  | |
| 
 S39=4  | 
 Software flow control enabled  | |
| 
 S39=5  | 
 Transparent software flow control enabled  | |
| 
 S39=6  | 
 Both hardware and software flow control enabled  | |
| 
 FLOW CONTROL CHARACTER - XOFF  | |
| 
 Type:  | 
 Register  | 
| 
 Format:  | 
 AT [cmds] S33=n [cmds]  | 
| 
 Default:  | 
 19  | 
| 
 Range:  | 
 0-255  | 
| 
 Unit:  | 
 ASCII  | 
| 
 Description:  | 
 Sets the character used to represent XOFF  | 
| 
 FLOW CONTROL CHARACTER - XON  | |
| 
 Type:  | 
 Register  | 
| 
 Format:  | 
 AT [cmds] S32=n [cmds]  | 
| 
 Default:  | 
 17  | 
| 
 Range:  | 
 0-255  | 
| 
 Unit:  | 
 ASCII  | 
| 
 Description:  | 
 Sets the character used to represent XON  | 
| 
 LINE SIGNAL LEVEL  | |
| 
 Type:  | 
 Immediate  | 
| 
 Format:  | 
 AT [cmds] %L [cmds]  | 
| 
 Description:  | 
 Returns a value which indicates the received line signal level (-dBm)  | 
| 
 LINE SIGNAL QUALITY  | |
| 
 Type:  | 
 Immediate  | 
| 
 Format:  | 
 AT [cmds] %Q [cmds]  | 
| 
 Description:  | 
 Returns a value which indicates line signal quality  | 
| 
 MAXIMUM BLOCK SIZE FOR TRANSMISSION  | |
| 
 Type:  | 
 Configuration  | 
| 
 Format:  | 
 AT [cmds] \An [cmds]  | 
| 
 Description:  | 
 Sets the maximum transmittable block size  | 
| 
 Command  | 
 Function  | 
| 
 \A0  | 
 MNP block size is 64 characters  | 
| 
 í \A1 | 
 MNP block size is 128 characters  | 
| 
 \A2  | 
 MNP block size is 192 characters  | 
| 
 \A3  | 
 MNP block size is 256 characters  | 
| 
 MNP - STREAM/BLOCK MODE  | |
| 
 Type:  | 
 Configuration  | 
| 
 Format:  | 
 AT [cmds] \Ln [cmds]  | 
| 
 Description:  | 
 Selects the transfer mode for MNP link  | 
| 
 Command  | 
 Function  | 
| 
 í \L0 | 
 Stream mode for MNP enabled  | 
| 
 \L1  | 
 Block mode for MNP enabled  | 
| 
 MNP10 - EXTENDED SERVICES  | |
| 
 Type:  | 
 Configuration  | 
| 
 Format:  | 
 AT [cmds] -Kn [cmds]  | 
| 
 Description:  | 
 Selects MNP10 extended services  | 
| 
 Command  | 
 Function  | 
| 
 í -K0 | 
 MNP10 disabled  | 
| 
 -K1  | 
 MNP10 enabled  | 
| 
 -K2  | 
 MNP10 enabled on originate mode only  | 
| 
 MNP10 - FALLBACK  | |
| 
 Type:  | 
 Configuration  | 
| 
 Format:  | 
 AT [cmds] -Qn [cmds]  | 
| 
 Description:  | 
 Allows MNP10 to fall back to 2400bps  | 
| 
 Command  | 
 Function  | 
| 
 -Q0  | 
 MNP10 at 2400 disabled  | 
| 
 í -Q1 | 
 MNP10 at 2400 enabled  | 
| 
 MNP10 - LINK NEGOTIATION  | |
| 
 Type:  | 
 Configuration  | 
| 
 Format:  | 
 AT [cmds] *Hn [cmds]  | 
| 
 Description:  | 
 Sets the speed at which MNP10 link negotiation will occur  | 
| 
 Command  | 
 Function  | 
| 
 í *H0 | 
 Link will be negotiated at highest possible speed  | 
| 
 *H1  | 
 Link will be negotiated at 1200bps  | 
| 
 *H2  | 
 Link will be negotiated at 4800bps  | 
| 
 MNP10 - POWER LEVEL ADJUST  | |
| 
 Type:  | 
 Configuration  | 
| 
 Format:  | 
 AT [cmds] )Mn [cmds]  | 
| 
 Description:  | 
 Controls automatic transmit power level adjustment during MNP 10 link negotiation  | 
| 
 Command  | 
 Function  | 
| 
 í )M0 | 
 Power level adjustment disabled  | 
| 
 )M1  | 
 Power level adjustment enabled  | 
| 
 MODULATION SELECTION DISPLAY  | |
| 
 Type:  | 
 Immediate  | 
| 
 Format:  | 
 AT [cmds] +MS? [cmds]  | 
| 
 Description:  | 
 Displays modulation, automode, minimum rate and maximum rate settings  | 
| 
 MODULATION SELECTION  | |
| 
 Type:  | 
 Configuration  | 
| 
 Format:  | 
 AT [cmds] +MS=x,y,z,a [cmds]  | 
| 
 Description:  | 
 Sets options for active protocol; the transfer rates specified by z and a must be valid for the protocol selected.  | 
| 
 Command  | 
 Function  | 
| 
 x=0  | 
 V.21  | 
| 
 x=1  | 
 V.22  | 
| 
 x=2  | 
 V.22bis  | 
| 
 x=3  | 
 V.23  | 
| 
 x=9  | 
 V.32  | 
| 
 x =10 | 
 V.32bis  | 
| 
 í x=11 | 
 V.34  | 
| 
 x =64 | 
 Bell 103  | 
| 
 x =69 | 
 Bell 212A  | 
| 
 x =74 | 
 V.FC  | 
| 
 y =0 | 
 Automode disabled  | 
| 
 í y=1 | 
 Auto-detect highest speed enabled  | 
| 
 z, a=300  | 
 Set minimum or maximum transfer rate at 300bps, respectively.  | 
| 
 z, a =1200 | 
 Set minimum or maximum transfer rate at 1200bps, respectively.  | 
| 
 z, a =2400 | 
 Set minimum or maximum transfer rate at 2400bps, respectively.  | 
| 
 z, a =4800 | 
 Set minimum or maximum transfer rate at 4800bps, respectively.  | 
| 
 z, a =7200 | 
 Set minimum or maximum transfer rate at 7200bps, respectively.  | 
| 
 z, a =9600 | 
 Set minimum or maximum transfer rate at 9600bps, respectively.  | 
| 
 z, a =12000 | 
 Set minimum or maximum transfer rate at 12000bps, respectively.  | 
| 
 z, a =14400 | 
 Set minimum or maximum transfer rate at 14400bps, respectively.  | 
| 
 z, a =16800 | 
 Set minimum or maximum transfer rate at 16800bps, respectively.  | 
| 
 z, a =19200 | 
 Set minimum or maximum transfer rate at 19200bps, respectively.  | 
| 
 z, a =21600 | 
 Set minimum or maximum transfer rate at 21600bps, respectively.  | 
| 
 z, a =24000 | 
 Set minimum or maximum transfer rate at 24000bps, respectively.  | 
| 
 z, a =26400 | 
 Set minimum or maximum transfer rate at 26400bps, respectively.  | 
| 
 z, a =28800 | 
 Set minimum or maximum transfer rate at 28800bps, respectively.  | 
| 
 SLEEP TIMER  | |
| 
 Type:  | 
 Register  | 
| 
 Format  | 
 AT [cmds] S24=n [cmds]  | 
| 
 Default:  | 
 0  | 
| 
 Range:  | 
 0-255  | 
| 
 Unit:  | 
 1 second  | 
| 
 Description:  | 
 Maximum duration of DTE and DCE inactivity allowed prior to initiating low-power sleep mode.  | 
| 
 SPEAKERPHONE OPTIONS  | ||
| 
 Type:  | 
 Immediate/Configuration  | |
| 
 Format:  | 
 AT [cmds] (see below) [cmds]  | |
| 
 Description:  | 
 Configures the modem to voice mode  | |
| 
 Command  | 
 Function  | |
| 
 #CLS=8  | 
 Enable voice mode  | |
| 
 #VLS=6  | 
 Enable speakerphone  | |
| 
 A  | 
 Answer in-coming call  | |
| 
 #VRN=0  | 
 To originate a call, then AT<#><enter>  | |
| 
 HZ  | 
 Ends the call  | |
| 
 SPEAKERPHONE SETTINGS  | ||
| 
 Type:  | 
 Configuration  | |
| 
 Format:  | 
 AT [cmds] #SPK=x, y, z [cmds]  | |
| 
 Description:  | 
 Controls the speakerphone settings  | |
| 
 Command  | 
 Function  | |
| 
 x=0  | 
 Microphone muted, speaker enabled  | |
| 
 í x=1 | 
 Microphone and speaker enabled  | |
| 
 x=2  | 
 Microphone on maximum and speaker disabled  | |
| 
 y =(0-16) | 
 Speaker volume; increase the value lowers the volume.  | |
| 
 í Y=5 | 
 Default setting  | |
| 
 Z =(0-3) | 
 Microphone sensitivity; increase the value the microphone becomes more sensitive.  | |
| 
 í Z=1 | 
 Default setting  | |
| 
 TRANSMISSION LEVEL - CELLULAR  | |
| 
 Type:  | 
 Configuration  | 
| 
 Format:  | 
 AT [cmds] @Mn [cmds]  | 
| 
 Default:  | 
 0  | 
| 
 Range:  | 
 11-30  | 
| 
 Unit:  | 
 -1 dBm  | 
| 
 Description:  | 
 Sets the signal level for transmission while in cellular mode  | 
| 
 Command  | 
 Function  | 
| 
 @M0  | 
 -26 dBm  | 
| 
 @M1  | 
 -30 dBm  | 
| 
 @M2-@M10  | 
 -10 dBm  | 
| 
 V.32 - COMPROMISE EQUALIZER  | |
| 
 Type:  | 
 Configuration  | 
| 
 Format:  | 
 AT [cmds] :En [cmds]  | 
| 
 Description:  | 
 Controls V.32 compromise equalizer  | 
| 
 Command  | 
 Function  | 
| 
 :E0  | 
 Equalizer disabled  | 
| 
 í :E1 | 
 Equalizer enabled  |