 |
|
|
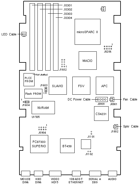
JavaStation
JJ-8 / JJ-16 / JJ-32 / JJ-40 / JJ-64
Jumper Settings
| JUMPER |
PINS |
SETTING |
DESCRIPTION |
| J0206 |
1-8 |
Out |
JTAG |
| J0904 |
1-2 3-4 5-6 7-8 |
Out Out Out Out |
Manufacturing test
Not implemented
Not implemented
Not implemented |
| J1101 |
1-2 |
Out* In |
TPE squelch Reduced squelch threshold |
| J1102 |
1-2 |
Out* In |
100 Ohm TPE termination
150 Ohm TPE termination |
| J1602 |
1-8 |
Out |
Manufacturing test |
| J1603 |
1-2 2-3 |
Out In* |
PROM select Flash select |
| J1604 |
1-2 2-3 |
Out In* |
FPROM write disable FPROM write enable |
|
| * Default settings |
|
|
|