Sun Microsystems, Inc.
spacer spacer
spacer   Sun System Handbook Home | Systems | Components | General Info | Search | Feedback 
spacer
black dot
 
black fade
 

ATL 100 Watt Power Supply

ETL 4/1000 / ETL 4/1800 / ETL 7/3500
StorEdge L1800 / StorEdge L3500

300-1339
Volgen MRE-244R2U

Rear View

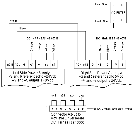
Wiring Diagram ETL 4/1000/1800


DC Output
+24V 4.2A

WebToneWebToneWebToneWebTone
 Copyright 1994-2003 Sun Microsystems, Inc.,  901 San Antonio Road, Palo Alto, CA 94303 USA.  All rights reserved.
 Legal Terms Privacy Policy Feedback