Sun Microsystems, Inc.
spacer spacer
spacer   Sun System Handbook Home | Systems | Components | General Info | Search | Feedback 
spacer
black dot
 
black fade
 

ATL 354 Watt Power Supply

StorEdge L1000

370-3531-01
ATL 6220518
Autec PCB-5300-4123
w Rocker Switch

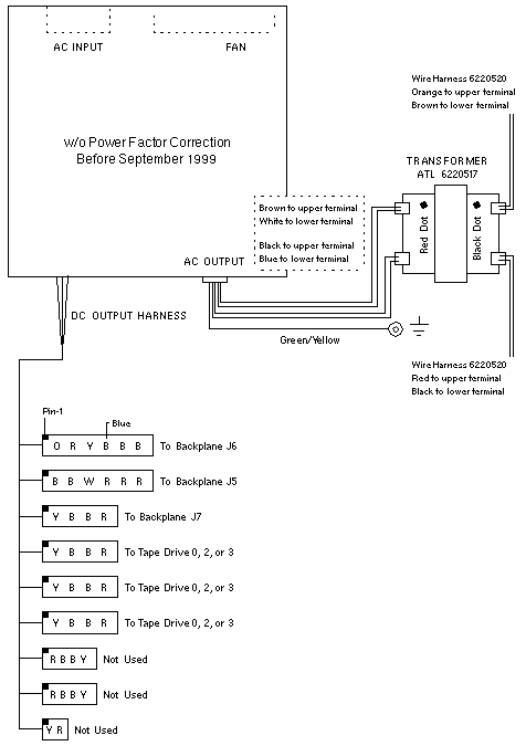
Wire Color Codes
CODE COLOR VOLTAGE
B Black Gnd
B Blue -12V
O Orange +5
R Red +12V
W White -5V
Y Yellow +5V

DC Output
+5V +12V -12V
30A 16A 1A



ATL 354 Watt Power Supply

StorEdge L1000

370-3531-02
ATL 6220571
YK Systems
w/o Rocker Switch

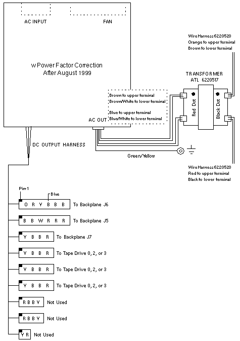
Wire Color Codes
CODE COLOR VOLTAGE
B Black Gnd
B Blue -12V
O Orange +5
R Red +12V
W White -5V
Y Yellow +5V

DC Output
+5V +12V -12V
30A 16A 1A

WebToneWebToneWebToneWebTone
 Copyright 1994-2003 Sun Microsystems, Inc.,  901 San Antonio Road, Palo Alto, CA 94303 USA.  All rights reserved.
 Legal Terms Privacy Policy Feedback