Sun Microsystems, Inc.
spacer spacer
spacer   Sun System Handbook Home | Systems | Components | General Info | Search | Feedback 
spacer
black dot
 
black fade
 

Volume II - Power

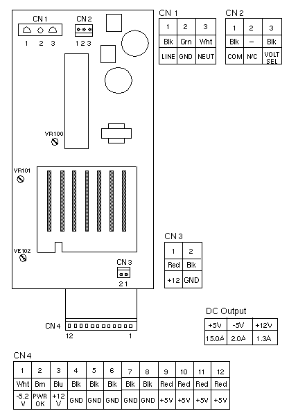
Matsushita ETX-593C101M (100W Power Supply)

Sun-3/50/60
300-1015

WebToneWebToneWebToneWebTone
 Copyright 1994-2003 Sun Microsystems, Inc.,  901 San Antonio Road, Palo Alto, CA 94303 USA.  All rights reserved.
 Legal Terms Privacy Policy Feedback