WESTERN DIGITAL CORPORATION
WD1002A-FOX
| 
 
  | |
| 
 Data bus:  | 
 8-bit, ISA  | 
| 
 Size:  | 
 Half-length, half-height card  | 
| 
 Hard drive supported:  | 
 N/A  | 
| 
 Floppy drives supported:  | 
 Two 360KB, 1.2MB drives or floppy tape drives  | 
| 
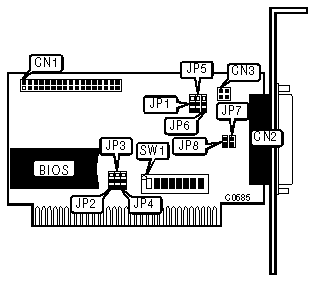
 CONNECTIONS  | |
| 
 Function  | 
 Location  | 
| 
 34-pin connector - floppy drive internal  | 
 CN1  | 
| 
 37-pin floppy disk drive port  | 
 CN2  | 
| 
 4-pin power suppy for external drives  | 
 CN3  | 
| 
 USER CONFIGURABLE SETTINGS  | ||
| 
 Function  | 
 Location  | 
 Setting  | 
| 
 High density ground return for external drive  | 
 JP1  | 
 pins 1 & 2 closed  | 
| 
 Standard ground return for external drive  | 
 JP1  | 
 pins 2 & 3 closed  | 
| 
 Primary address - (320 - 323)  | 
 JP4  | 
 pins 1 & 2 closed  | 
| 
 Secondary address - (328 - 32B)  | 
 JP4  | 
 pins 2 & 3 closed  | 
| 
 +5V tied to (CN2) pin 4 for external drive  | 
 JP5  | 
 pins 1 & 2 closed  | 
| 
 No connection via pin 4 for external drive  | 
 JP5  | 
 pins 2 & 3 closed  | 
| 
 +12V tied to (CN2) pin 1 for external drive  | 
 JP6  | 
 pins 1 & 2 closed  | 
| 
 No connection via pin 1 for external drive  | 
 JP6  | 
 pins 2 & 3 closed  | 
| 
 Dual speed spinde option - enabled  | 
 JP7  | 
 closed  | 
| 
 Dual speed spinde option - disabled  | 
 JP7  | 
 open  | 
| 
 Ground tied to chassis ground - enabled  | 
 JP8  | 
 closed  | 
| 
 Ground tied to chassis ground - disabled  | 
 JP8  | 
 open  | 
| 
 BIOS ADDRESS  | ||
| 
 Setting  | 
 JP2  | 
 JP3  | 
| 
 EE000 - EFFFFh  | 
 pins 2 & 3 closed  | 
 Pins 2 & 3 closed  | 
| 
 CE000 - CFFFFh  | 
 pins 2 & 3 closed  | 
 pins 1 & 2 closed  | 
| 
 EC000 - EDFFFh  | 
 pins 1 & 2 closed  | 
 pins 2 & 3 closed  | 
| 
 CC000 - CDFFFh  | 
 pins 1 & 2 closed  | 
 pins 1 & 2 closed  | 
| 
 DRIVE 1 TYPE SELECT  | ||
| 
 Setting  | 
 SW1/1  | 
 SW1/2  | 
| 
 360KB  | 
 off  | 
 off  | 
| 
 1.2MB  | 
 off  | 
 on  | 
| 
 720KB  | 
 on  | 
 off  | 
| 
 1.44MB  | 
 on  | 
 on  | 
| 
 DRIVE 2 TYPE SELECT  | ||
| 
 Setting  | 
 SW1/3  | 
 SW1/4  | 
| 
 360KB  | 
 off  | 
 off  | 
| 
 1.2MB  | 
 off  | 
 on  | 
| 
 720KB  | 
 on  | 
 off  | 
| 
 1.44MB  | 
 on  | 
 on  | 
| 
 DRIVE 3 TYPE SELECT  | ||
| 
 Setting  | 
 SW1/5  | 
 SW1/6  | 
| 
 360KB  | 
 off  | 
 off  | 
| 
 1.2MB  | 
 off  | 
 on  | 
| 
 720KB  | 
 on  | 
 off  | 
| 
 1.44MB  | 
 on  | 
 on  | 
| 
 DRIVE 4 TYPE SELECT  | ||
| 
 Setting  | 
 SW1/7  | 
 SW1/8  | 
| 
 360KB  | 
 off  | 
 off  | 
| 
 1.2MB  | 
 off  | 
 on  | 
| 
 720KB  | 
 on  | 
 off  | 
| 
 1.44MB  | 
 on  | 
 on  |