BIOSTAR MICROTECH INTERNATIONAL CORPORATION
M6TLA (VER. 1.0)
| 
 Device Type  | 
 Mainboard  | 
| 
 Processor  | 
 Pentium II  | 
| 
 Processor Speed  | 
 200/233/266/300/MHz  | 
| 
 Chip Set  | 
 Intel  | 
| 
 Video Chip Set  | 
 None  | 
| 
 Maximum Onboard Memory  | 
 1GB (EDO & SDRAM supported)  | 
| 
 Maximum Video Memory  | 
 None  | 
| 
 Cache  | 
 256/512KB (located on Pentium II CPU)  | 
| 
 BIOS  | 
 Award  | 
| 
 Dimensions  | 
 305mm x 220mm  | 
| 
 I/O Options  | 
 32-bit PCI slots (4), floppy drive interface, green PC connector, IDE interfaces (2), parallel port, PS/2 mouse port, serial ports (2), IR connector, USB connectors (2), ATX power connector, AGP slot  | 
| 
 NPU Options  | 
 None  | 
| 
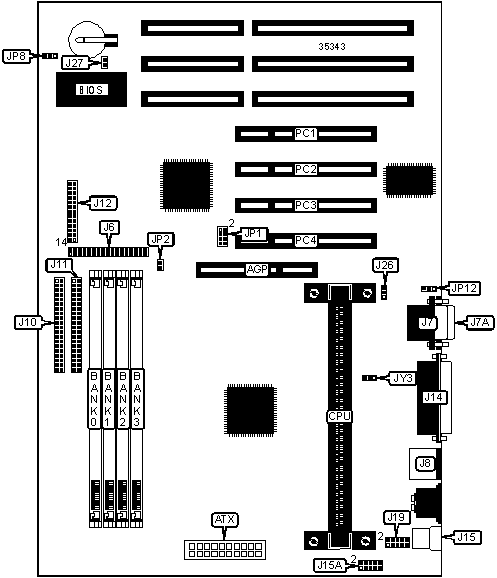
 CONNECTIONS  | |||
| 
 Purpose  | 
 Location  | 
 Purpose  | 
 Location  | 
| 
 AGP slot  | 
 AGP  | 
 VCC ground  | 
 J12/pins 14 & 15  | 
| 
 ATX power connector  | 
 ATX  | 
 Green PC connector  | 
 J12/pins 16 & 17  | 
| 
 Floppy drive interface  | 
 J6  | 
 IDE interface LED  | 
 J12/pins 18 - 21  | 
| 
 Serial port 2  | 
 J7  | 
 IR connector  | 
 J12/pins 22 - 26  | 
| 
 Serial port 1  | 
 J7A  | 
 Parallel port  | 
 J14  | 
| 
 PS/2 mouse port  | 
 J8  | 
 USB connector  | 
 J15  | 
| 
 IDE interface 1  | 
 J10  | 
 USB connector  | 
 J15A  | 
| 
 IDE interface 2  | 
 J11  | 
 Wake on LAN connector  | 
 J26  | 
| 
 Speaker  | 
 J12/pins 1 - 4  | 
 Wake on modem connector  | 
 J27  | 
| 
 Power LED & keylock  | 
 J12/pins 5 - 9  | 
 CPU fan power  | 
 JY3  | 
| 
 Soft off power supply  | 
 J12/pins 10 & 11  | 
 32-bit PCI slots  | 
 PC1 – PC4  | 
| 
 Reset switch  | 
 J12/pins 12 & 13  | ||
| 
 USER CONFIGURABLE SETTINGS  | |||
| 
 Function  | 
 Label  | 
 Position  | |
| 
 In order queue depth enabled  | 
 JP2  | 
 Open  | |
| 
 In order queue depth disabled  | 
 JP2  | 
 Closed  | |
| 
 »  | 
 CMOS memory normal operation  | 
 JP8  | 
 Pins 1 & 2 closed  | 
| 
 CMOS memory clear  | 
 JP8  | 
 Pins 2 & 3 closed  | |
| 
 On board battery disabled  | 
 JP8  | 
 Open  | |
| 
 External modem COM select COM1  | 
 JP12  | 
 Pins 1 & 2 closed  | |
| 
 External modem COM select COM2  | 
 JP12  | 
 Pins 2 & 3 closed  | |
| 
 DIMM CONFIGURATION  | ||||
| 
 Size  | 
 Bank 0  | 
 Bank 1  | 
 Bank 2  | 
 Bank 3  | 
| 
 8MB  | 
 (1) 1M x 64  | 
 None  | 
 None  | 
 None  | 
| 
 16MB  | 
 (1) 2M x 64  | 
 None  | 
 None  | 
 None  | 
| 
 16MB  | 
 (1) 1M x 64  | 
 (1) 1M x 64  | 
 None  | 
 None  | 
| 
 24MB  | 
 (1) 2M x 64  | 
 (1) 1M x 64  | 
 None  | 
 None  | 
| 
 24MB  | 
 (1) 1M x 64  | 
 (1) 1M x 64  | 
 (1) 1M x 64  | 
 None  | 
| 
 32MB  | 
 (1) 4M x 64  | 
 None  | 
 None  | 
 None  | 
| 
 32MB  | 
 (1) 2M x 64  | 
 (1) 2M x 64  | 
 None  | 
 None  | 
| 
 32MB  | 
 (1) 1M x 64  | 
 (1) 1M x 64  | 
 (1) 1M x 64  | 
 (1) 1M x 64  | 
| 
 40MB  | 
 (1) 4M x 64  | 
 (1) 1M x 64  | 
 None  | 
 None  | 
| 
 48MB  | 
 (1) 4M x 64  | 
 (1) 2M x 64  | 
 None  | 
 None  | 
| 
 48MB  | 
 (1) 2M x 64  | 
 (1) 2M x 64  | 
 (1) 2M x 64  | 
 None  | 
| 
 64MB  | 
 (1) 2M x 64  | 
 (1) 2M x 64  | 
 (1) 2M x 64  | 
 (1) 2M x 64  | 
| 
 DIMM CONFIGURATION (CON’T)  | ||||
| 
 Size  | 
 Bank 0  | 
 Bank 1  | 
 Bank 2  | 
 Bank 3  | 
| 
 64MB  | 
 (1) 8M x 64  | 
 None  | 
 None  | 
 None  | 
| 
 64MB  | 
 (1) 4M x 64  | 
 (1) 4M x 64  | 
 None  | 
 None  | 
| 
 72MB  | 
 (1) 8M x 64  | 
 (1) 1M x 64  | 
 None  | 
 None  | 
| 
 80MB  | 
 (1) 8M x 64  | 
 (1) 2M x 64  | 
 None  | 
 None  | 
| 
 96MB  | 
 (1) 8M x 64  | 
 (1) 4M x 64  | 
 None  | 
 None  | 
| 
 96MB  | 
 (1) 4M x 64  | 
 (1) 4M x 64  | 
 (1) 4M x 64  | 
 None  | 
| 
 128MB  | 
 (1) 16M x 64  | 
 None  | 
 None  | 
 None  | 
| 
 128MB  | 
 (1) 8M x 64  | 
 (1) 8M x 64  | 
 None  | 
 None  | 
| 
 128MB  | 
 (1) 4M x 64  | 
 (1) 4M x 64  | 
 (1) 4M x 64  | 
 (1) 4M x 64  | 
| 
 136MB  | 
 (1) 16M x 64  | 
 (1) 1M x 64  | 
 None  | 
 None  | 
| 
 144MB  | 
 (1) 16M x 64  | 
 (1) 2M x 64  | 
 None  | 
 None  | 
| 
 152MB  | 
 (1) 16M x 64  | 
 (1) 1M x 64  | 
 (1) 1M x 64  | 
 (1) 1M x 64  | 
| 
 160MB  | 
 (1) 16M x 64  | 
 (1) 4M x 64  | 
 None  | 
 None  | 
| 
 176MB  | 
 (1) 16M x 64  | 
 (1) 2M x 64  | 
 (1) 2M x 64  | 
 (1) 2M x 64  | 
| 
 192MB  | 
 (1) 16M x 64  | 
 (1) 8M x 64  | 
 None  | 
 None  | 
| 
 192MB  | 
 (1) 8M x 64  | 
 (1) 8M x 64  | 
 (1) 8M x 64  | 
 None  | 
| 
 224MB  | 
 (1) 16M x 64  | 
 (1) 4M x 64  | 
 (1) 4M x 64  | 
 (1) 4M x 64  | 
| 
 256MB  | 
 (1) 32M x 64  | 
 None  | 
 None  | 
 None  | 
| 
 256MB  | 
 (1) 16M x 64  | 
 (1) 16M x 64  | 
 None  | 
 None  | 
| 
 256MB  | 
 (1) 8M x 64  | 
 (1) 8M x 64  | 
 (1) 8M x 64  | 
 (1) 8M x 64  | 
| 
 272MB  | 
 (1) 16M x 64  | 
 (1) 16M x 64  | 
 (1) 1M x 64  | 
 (1) 1M x 64  | 
| 
 280MB  | 
 (1) 32M x 64  | 
 (1) 1M x 64  | 
 (1) 1M x 64  | 
 (1) 1M x 64  | 
| 
 288MB  | 
 (1) 16M x 64  | 
 (1) 16M x 64  | 
 (1) 2M x 64  | 
 (1) 2M x 64  | 
| 
 304MB  | 
 (1) 32M x 64  | 
 (1) 2M x 64  | 
 (1) 2M x 64  | 
 (1) 2M x 64  | 
| 
 320MB  | 
 (1) 16M x 64  | 
 (1) 16M x 64  | 
 (1) 4M x 64  | 
 (1) 4M x 64  | 
| 
 320MB  | 
 (1) 16M x 64  | 
 (1) 8M x 64  | 
 (1) 8M x 64  | 
 (1) 8M x 64  | 
| 
 352MB  | 
 (1) 32M x 64  | 
 (1) 4M x 64  | 
 (1) 4M x 64  | 
 (1) 4M x 64  | 
| 
 384MB  | 
 (1) 16M x 64  | 
 (1) 16M x 64  | 
 (1) 16M x 64  | 
 None  | 
| 
 448MB  | 
 (1) 32M x 64  | 
 (1) 8M x 64  | 
 (1) 8M x 64  | 
 (1) 8M x 64  | 
| 
 512MB  | 
 (1) 32M x 64  | 
 (1) 32M x 64  | 
 None  | 
 None  | 
| 
 512MB  | 
 (1) 16M x 64  | 
 (1) 16M x 64  | 
 (1) 16M x 64  | 
 (1) 16M x 64  | 
| 
 640MB  | 
 (1) 32M x 64  | 
 (1) 16M x 64  | 
 (1) 16M x 64  | 
 (1) 16M x 64  | 
| 
 768MB  | 
 (1) 32M x 64  | 
 (1) 32M x 64  | 
 (1) 32M x 64  | 
 None  | 
| 
 1024MB  | 
 (1) 32M x 64  | 
 (1) 32M x 64  | 
 (1) 32M x 64  | 
 (1) 32M x 64  | 
| 
 Note: Board accepts EDO & SDRAM memory. Maximum SDRAM is 512MB. Maximum EDO is 1GB.  | ||||
| 
 CACHE CONFIGURATION  | 
| 
 Note: 256KB/512KB cache is located on the Pentium II CPU.  | 
| 
 CPU SPEED SELECTION  | ||||||
| 
 CPU speed  | 
 Clock speed  | 
 Multiplier  | 
 JP1/ pins 1 & 2  | 
 JP1/ pins 3 & 4  | 
 JP1/ pins 5 & 6  | 
 JP1/ pins 7 & 8  | 
| 
 200MHz  | 
 66MHz  | 
 3x  | 
 Open  | 
 Closed  | 
 Open  | 
 Closed  | 
| 
 233MHz  | 
 66MHz  | 
 3.5x  | 
 Open  | 
 Open  | 
 Open  | 
 Closed  | 
| 
 266MHz  | 
 66MHz  | 
 4x  | 
 Open  | 
 Closed  | 
 Closed  | 
 Open  | 
| 
 300MHz  | 
 66MHz  | 
 4.5x  | 
 Open  | 
 Open  | 
 Closed  | 
 Open  | 
| 
 CPU VOLTAGE SELECTION  | |||||
| 
 Voltage  | 
 J19/pins 1 & 2  | 
 J19/pins 3 & 4  | 
 J19/pins 5 & 6  | 
 J19/pins 7 & 8  | 
 J19/pins 9 & 10  | 
| 
 Auto detect  | 
 Open  | 
 Open  | 
 Open  | 
 Open  | 
 Open  | 
| 
 2.1  | 
 Closed  | 
 Open  | 
 Open  | 
 Open  | 
 Open  | 
| 
 2.2  | 
 Open  | 
 Closed  | 
 Open  | 
 Open  | 
 Open  | 
| 
 2.3  | 
 Closed  | 
 Closed  | 
 Open  | 
 Open  | 
 Open  | 
| 
 2.4  | 
 Open  | 
 Open  | 
 Closed  | 
 Open  | 
 Open  | 
| 
 2.5  | 
 Closed  | 
 Open  | 
 Closed  | 
 Open  | 
 Open  | 
| 
 2.6  | 
 Open  | 
 Closed  | 
 Closed  | 
 Open  | 
 Open  | 
| 
 2.7  | 
 Closed  | 
 Closed  | 
 Closed  | 
 Open  | 
 Open  | 
| 
 2.8  | 
 Open  | 
 Open  | 
 Open  | 
 Closed  | 
 Open  | 
| 
 2.9  | 
 Closed  | 
 Open  | 
 Open  | 
 Closed  | 
 Open  | 
| 
 3.0  | 
 Open  | 
 Closed  | 
 Open  | 
 Closed  | 
 Open  | 
| 
 3.1  | 
 Closed  | 
 Closed  | 
 Open  | 
 Closed  | 
 Open  | 
| 
 3.2  | 
 Open  | 
 Open  | 
 Closed  | 
 Closed  | 
 Open  | 
| 
 3.3  | 
 Closed  | 
 Open  | 
 Closed  | 
 Closed  | 
 Open  | 
| 
 3.4  | 
 Open  | 
 Closed  | 
 Closed  | 
 Closed  | 
 Open  | 
| 
 3.5  | 
 Closed  | 
 Closed  | 
 Closed  | 
 Closed  | 
 Open  |