IBM CORPORATION
APTIVA 2140 TYPE A-1
| 
 Device Type  | 
 Mainboard  | 
| 
 Processor  | 
 Pentium  | 
| 
 Processor Speed  | 
 166/200/233MHz  | 
| 
 Chip Set  | 
 Unidentified  | 
| 
 Video Chip Set  | 
 Trident  | 
| 
 Maximum Onboard Memory  | 
 384MB (SDRAM supported)  | 
| 
 Maximum Video Memory  | 
 4MB (SGRAM supported)  | 
| 
 Cache  | 
 512KB  | 
| 
 BIOS  | 
 Unidentified  | 
| 
 Dimensions  | 
 305mm x 244mm  | 
| 
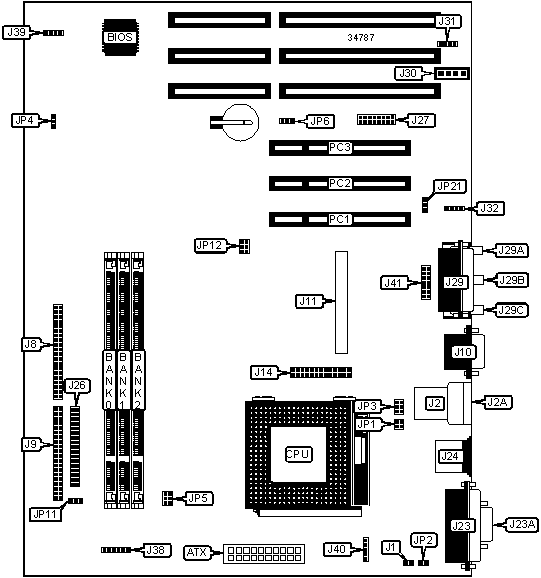
 I/O Options  | 
 32-bit PCI slots (3), floppy drive interface, game/MIDI port, IDE interfaces (2), parallel port, PS/2 mouse port, serial ports (2), VGA feature connector, VGA port, USB connectors (2), ATX power connector, line in, line out, microphone in, audio in – CD/DVD-ROM  | 
| 
 NPU Options  | 
 None  | 
| 
 CONNECTIONS  | |||
| 
 Purpose  | 
 Location  | 
 Purpose  | 
 Location  | 
| 
 ATX power connector  | 
 ATX  | 
 AC-3 connector  | 
 J27  | 
| 
 Chassis fan power  | 
 J1  | 
 Game/MIDI port  | 
 J29  | 
| 
 USB connector 1  | 
 J2  | 
 Line out  | 
 J29A  | 
| 
 USB connector 2  | 
 J2A  | 
 Line in  | 
 J29B  | 
| 
 VGA interface  | 
 J3  | 
 Microphone in  | 
 J29C  | 
| 
 IDE interface 1  | 
 J8  | 
 Audio in – CD/DVD-ROM  | 
 J30  | 
| 
 IDE interface 2  | 
 J9  | 
 TV in connector  | 
 J31  | 
| 
 VGA port  | 
 J10  | 
 Modem audio in  | 
 J32  | 
| 
 VGA feature connector  | 
 J14  | 
 Power, power LED, IDE LED  | 
 J38  | 
| 
 Parallel port  | 
 J23  | 
 Speaker  | 
 J39  | 
| 
 Serial port 1  | 
 J23A  | 
 Audio amplifier connector  | 
 J41  | 
| 
 PS/2 mouse port  | 
 J24  | 
 32-bit PCI slots  | 
 PC1 – PC3  | 
| 
 Floppy drive interface  | 
 J26  | ||
| 
 Note: The location of J3 is unidentified.  | |||
| 
 USER CONFIGURABLE SETTINGS  | |||
| 
 Function  | 
 Label  | 
 Position  | |
| 
 »  | 
 Factory configured - do not alter  | 
 J40  | 
 Unidentified  | 
| 
 »  | 
 Factory configured - do not alter  | 
 JP1  | 
 Pins 1 & 3, 2 & 4 closed  | 
| 
 »  | 
 Factory configured - do not alter  | 
 JP2  | 
 Closed  | 
| 
 »  | 
 On board video enabled  | 
 JP4  | 
 Pins 1 & 2 closed  | 
| 
 On board video disabled  | 
 JP4  | 
 Pins 2 & 3 closed  | |
| 
 VGA INTA# select  | 
 JP5  | 
 Pins 1 & 3, 2 & 4 closed  | |
| 
 »  | 
 CMOS memory normal operation  | 
 JP6  | 
 Pins 1 & 2 closed  | 
| 
 CMOS memory clear  | 
 JP6  | 
 Pins 2 & 3 closed  | |
| 
 Floppy drive write enabled  | 
 JP11  | 
 Pins 1 & 2 closed  | |
| 
 Floppy drive write disabled  | 
 JP11  | 
 Pins 2 & 3 closed  | |
| 
 CS4610 interrupt select  | 
 JP21  | 
 Pins 1 & 2 closed  | |
| 
 DIMM CONFIGURATION  | |||
| 
 Size  | 
 Bank 0  | 
 Bank 1  | 
 Bank 2  | 
| 
 8MB  | 
 (1) 1M x 64  | 
 None  | 
 None  | 
| 
 16MB  | 
 (1) 2M x 64  | 
 None  | 
 None  | 
| 
 16MB  | 
 (1) 1M x 64  | 
 (1) 1M x 64  | 
 None  | 
| 
 24MB  | 
 (1) 2M x 64  | 
 (1) 1M x 64  | 
 None  | 
| 
 DIMM CONFIGURATION (CON’T)  | |||
| 
 Size  | 
 Bank 0  | 
 Bank 1  | 
 Bank 2  | 
| 
 24MB  | 
 (1) 1M x 64  | 
 (1) 1M x 64  | 
 (1) 1M x 64  | 
| 
 32MB  | 
 (1) 4M x 64  | 
 None  | 
 None  | 
| 
 32MB  | 
 (1) 2M x 64  | 
 (1) 1M x 64  | 
 (1) 1M x 64  | 
| 
 32MB  | 
 (1) 2M x 64  | 
 (1) 2M x 64  | 
 None  | 
| 
 40MB  | 
 (1) 4M x 64  | 
 (1) 1M x 64  | 
 None  | 
| 
 40MB  | 
 (1) 2M x 64  | 
 (1) 2M x 64  | 
 (1) 1M x 64  | 
| 
 48MB  | 
 (1) 4M x 64  | 
 (1) 1M x 64  | 
 (1) 1M x 64  | 
| 
 48MB  | 
 (1) 2M x 64  | 
 (1) 2M x 64  | 
 (1) 2M x 64  | 
| 
 56MB  | 
 (1) 4M x 64  | 
 (1) 2M x 64  | 
 (1) 1M x 64  | 
| 
 64MB  | 
 (1) 8M x 64  | 
 None  | 
 None  | 
| 
 64MB  | 
 (1) 4M x 64  | 
 (1) 2M x 64  | 
 (1) 2M x 64  | 
| 
 64MB  | 
 (1) 4M x 64  | 
 (1) 4M x 64  | 
 None  | 
| 
 72MB  | 
 (1) 8M x 64  | 
 (1) 1M x 64  | 
 None  | 
| 
 72MB  | 
 (1) 4M x 64  | 
 (1) 4M x 64  | 
 (1) 1M x 64  | 
| 
 80MB  | 
 (1) 8M x 64  | 
 (1) 1M x 64  | 
 (1) 1M x 64  | 
| 
 80MB  | 
 (1) 8M x 64  | 
 (1) 2M x 64  | 
 None  | 
| 
 80MB  | 
 (1) 4M x 64  | 
 (1) 4M x 64  | 
 (1) 2M x 64  | 
| 
 96MB  | 
 (1) 8M x 64  | 
 (1) 2M x 64  | 
 (1) 2M x 64  | 
| 
 96MB  | 
 (1) 8M x 64  | 
 (1) 4M x 64  | 
 None  | 
| 
 96MB  | 
 (1) 4M x 64  | 
 (1) 4M x 64  | 
 (1) 4M x 64  | 
| 
 112MB  | 
 (1) 8M x 64  | 
 (1) 4M x 64  | 
 (1) 2M x 64  | 
| 
 128MB  | 
 (1) 16M x 64  | 
 None  | 
 None  | 
| 
 128MB  | 
 (1) 8M x 64  | 
 (1) 8M x 64  | 
 None  | 
| 
 136MB  | 
 (1) 8M x 64  | 
 (1) 8M x 64  | 
 (1) 1M x 64  | 
| 
 144MB  | 
 (1) 16M x 64  | 
 (1) 1M x 64  | 
 (1) 1M x 64  | 
| 
 144MB  | 
 (1) 16M x 64  | 
 (1) 2M x 64  | 
 None  | 
| 
 144MB  | 
 (1) 8M x 64  | 
 (1) 8M x 64  | 
 (1) 2M x 64  | 
| 
 160MB  | 
 (1) 16M x 64  | 
 (1) 2M x 64  | 
 (1) 2M x 64  | 
| 
 160MB  | 
 (1) 16M x 64  | 
 (1) 4M x 64  | 
 None  | 
| 
 160MB  | 
 (1) 8M x 64  | 
 (1) 8M x 64  | 
 (1) 4M x 64  | 
| 
 168MB  | 
 (1) 16M x 64  | 
 (1) 4M x 64  | 
 (1) 1M x 64  | 
| 
 192MB  | 
 (1) 16M x 64  | 
 (1) 4M x 64  | 
 (1) 4M x 64  | 
| 
 192MB  | 
 (1) 8M x 64  | 
 (1) 8M x 64  | 
 (1) 8M x 64  | 
| 
 200MB  | 
 (1) 16M x 64  | 
 (1) 8M x 64  | 
 (1) 1M x 64  | 
| 
 208MB  | 
 (1) 16M x 64  | 
 (1) 8M x 64  | 
 (1) 2M x 64  | 
| 
 224MB  | 
 (1) 16M x 64  | 
 (1) 8M x 64  | 
 (1) 4M x 64  | 
| 
 256MB  | 
 (1) 16M x 64  | 
 (1) 8M x 64  | 
 (1) 8M x 64  | 
| 
 384MB  | 
 (1) 16M x 64  | 
 (1) 16M x 64  | 
 (1) 16M x 64  | 
| 
 Note: Board accepts SDRAM memory.  | |||
| 
 CACHE CONFIGURATION  | 
| 
 Note: 512KB cache is factory installed and is not configurable.  | 
| 
 VIDEO MEMORY CONFIGURATION  | 
| 
 Note: To increase video memory from 2MB to 4MB, install upgrade in J11.  | 
| 
 CPU SPEED SELECTION  | ||||
| 
 CPU speed  | 
 Clock speed  | 
 Multiplier  | 
 JP3  | 
 JP12  | 
| 
 166MHz  | 
 66MHz  | 
 2.5x  | 
 1 & 3, 2 & 4  | 
 1 & 2, 3 & 4  | 
| 
 200MHz  | 
 66MHz  | 
 3x  | 
 2 & 4, 3 & 5  | 
 1 & 2, 3 & 4  | 
| 
 233MHz  | 
 66MHz  | 
 3.5x  | 
 3 & 5, 4 & 6  | 
 1 & 2, 3 & 4  | 
| 
 Note: Pins designated should be in the closed position.  | ||||