OCEAN INFORMATION SYSTEMS, INC.
HIPPO DCA 1 486 REV. 1.0
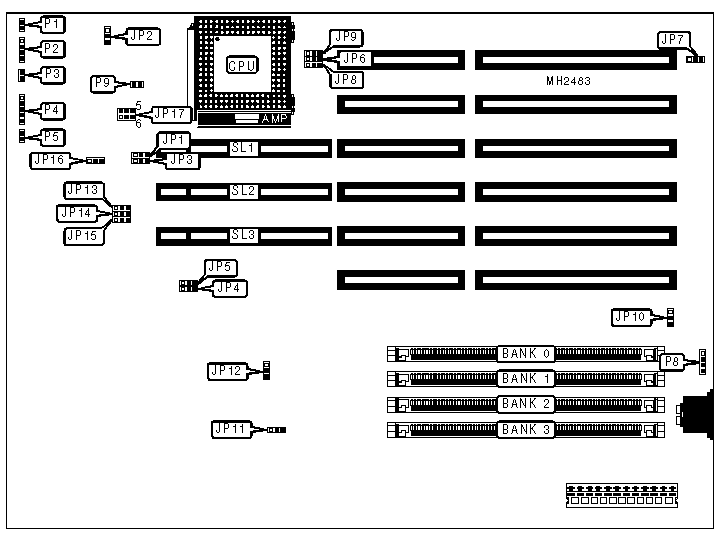
|
Processor |
80486SX/80487SX/80486DX/80486DX2/80486DX4 |
|
Processor Speed |
25/33/50(internal)/66(internal)/75(internal)/100(internal)MHz |
|
Chip Set |
Unidentified |
|
Max. Onboard DRAM |
64MB |
|
Cache |
None |
|
BIOS |
Unidentified |
|
Dimensions |
330mm x 218mm |
|
I/O Options |
32-bit VESA local bus slots (3) |
|
NPU Options |
None |
|
CONNECTIONS | |||
|
Purpose |
Location |
Purpose |
Location |
|
Turbo switch |
P1 |
Turbo LED |
P5 |
|
Speaker |
P2 |
External battery |
P8 |
|
Reset switch |
P3 |
Chassis fan power |
P9 |
|
Power LED & keylock |
P4 |
32-bit VESA local bus slots |
SL1 - SL3 |
|
USER CONFIGURABLE SETTINGS | |||
|
Function |
Jumper |
Position | |
|
» |
Factory configured - do not alter |
JP1 |
pins 1 & 2 closed |
|
» |
Factory configured - do not alter |
JP2 |
N/A |
|
» |
Factory configured - do not alter |
JP3 |
Open |
|
» |
Monitor type select monochrome |
JP7 |
pins 2 & 3 closed |
|
Monitor type select CGA/EGA/VGA |
JP7 |
pins 1 & 2 closed | |
|
» |
CMOS memory normal operation |
JP10 |
pins 1 & 2 closed |
|
CMOS memory clear |
JP10 |
pins 2 & 3 closed | |
|
» |
Factory configured - do not alter |
JP11 |
N/A |
|
» |
Factory configured - do not alter |
JP12 |
N/A |
|
» |
Factory configured - do not alter |
JP13 |
pins 2 & 3 closed |
|
» |
Factory configured - do not alter |
JP14 |
pins 2 & 3 closed |
|
» |
Factory configured - do not alter |
JP15 |
pins 2 & 3 closed |
|
» |
Factory configured - do not alter |
JP16 |
pins 1 & 2 closed |
|
DRAM CONFIGURATION | ||||
|
Size |
Bank 0 |
Bank 1 |
Bank 2 |
Bank 3 |
|
4MB |
(1) 1M x 36 |
NONE |
NONE |
NONE |
|
8MB |
(1) 1M x 36 |
(1) 1M x 36 |
NONE |
NONE |
|
8MB |
(1) 2M x 36 |
NONE |
NONE |
NONE |
|
12MB |
(1) 1M x 36 |
(1) 1M x 36 |
(1) 1M x 36 |
NONE |
|
12MB |
(1) 1M x 36 |
(1) 2M x 36 |
NONE |
NONE |
|
16MB |
(1) 1M x 36 |
(1) 1M x 36 |
(1) 1M x 36 |
(1) 1M x 36 |
|
16MB |
(1) 2M x 36 |
(1) 2M x 36 |
NONE |
NONE |
|
16MB |
(1) 4M x 36 |
NONE |
NONE |
NONE |
|
20MB |
(1) 1M x 36 |
(1) 1M x 36 |
(1) 1M x 36 |
(1) 2M x 36 |
|
20MB |
(1) 1M x 36 |
(1) 2M x 36 |
(1) 2M x 36 |
NONE |
|
20MB |
(1) 1M x 36 |
(1) 4M x 36 |
NONE |
NONE |
|
24MB |
(1) 1M x 36 |
(1) 1M x 36 |
(1) 2M x 36 |
(1) 2M x 36 |
|
24MB |
(1) 2M x 36 |
(1) 2M x 36 |
(1) 2M x 36 |
NONE |
|
24MB |
(1) 2M x 36 |
(1) 4M x 36 |
NONE |
NONE |
|
28MB |
(1) 1M x 36 |
(1) 2M x 36 |
(1) 4M x 36 |
NONE |
|
28MB |
(1) 1M x 36 |
(1) 2M x 36 |
(1) 2M x 36 |
(1) 2M x 36 |
|
32MB |
(1) 2M x 36 |
(1) 2M x 36 |
(1) 2M x 36 |
(1) 2M x 36 |
|
32MB |
(1) 4M x 36 |
(1) 4M x 36 |
NONE |
NONE |
|
40MB |
(1) 2M x 36 |
(1) 4M x 36 |
(1) 4M x 36 |
NONE |
|
48MB |
(1) 2M x 36 |
(1) 2M x 36 |
(1) 4M x 36 |
(1) 4M x 36 |
|
56MB |
(1) 2M x 36 |
(1) 4M x 36 |
(1) 4M x 36 |
(1) 4M x 36 |
|
64MB |
(1) 4M x 36 |
(1) 4M x 36 |
(1) 4M x 36 |
(1) 4M x 36 |
|
CPU TYPE CONFIGURATION | |||
|
Type |
JP6 |
JP8 |
JP9 |
|
80486SX |
pins 2 & 3 closed |
Open |
pins 1 & 2 closed |
|
80487SX |
pins 1 & 2 closed |
pins 1 & 2 closed |
pins 2 & 3 closed |
|
80486DX |
pins 1 & 2 closed |
pins 2 & 3 closed |
pins 2 & 3 closed |
|
80486DX2 |
pins 1 & 2 closed |
pins 2 & 3 closed |
pins 2 & 3 closed |
|
80486DX4 |
pins 1 & 2 closed |
pins 2 & 3 closed |
pins 2 & 3 closed |
|
CPU SPEED CONFIGURATION | ||
|
Speed |
JP4 |
JP5 |
|
25MHz |
pins 2 & 3 closed |
pins 2 & 3 closed |
|
33MHz |
pins 1 & 2 closed |
pins 1 & 2 closed |
|
50iMHz |
pins 2 & 3 closed |
pins 2 & 3 closed |
|
66iMHz |
pins 1 & 2 closed |
pins 1 & 2 closed |
|
75iMHz |
pins 2 & 3 closed |
pins 2 & 3 closed |
|
100iMHz |
pins 1 & 2 closed |
pins 1 & 2 closed |
|
CPU SPEED CONFIGURATION (80486DX4 ONLY) | |
|
Speed |
JP17 |
|
2x |
pins 3 & 4 closed |
|
2.5x |
pins 5 & 6 closed |
|
3x |
pins 1 & 2 closed |