QDI COMPUTER, INC.
P6I440EX/ATX
| 
 Device Type  | 
 Mainboard  | 
| 
 Processor  | 
 Pentium II/Celeron  | 
| 
 Processor Speed  | 
 233/266/300/333MHz  | 
| 
 Chip Set  | 
 Intel 440EX  | 
| 
 Video Chip Set  | 
 None  | 
| 
 Maximum Onboard Memory  | 
 512MB (EDO & SDRAM supported)  | 
| 
 Maximum Video Memory  | 
 None  | 
| 
 Cache  | 
 0/128/256/512KB (located on the CPU)  | 
| 
 BIOS  | 
 Award  | 
| 
 Dimensions  | 
 305mm x 175mm  | 
| 
 I/O Options  | 
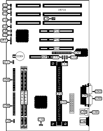
 32-bit PCI slots (3), floppy drive interface, green PC connector, IDE interfaces (2), parallel port, PS/2 mouse port, serial ports (2), IR connector, USB connectors (2), ATX power connector, AGP slot, SB-link connector, wake on LAN connector, wake on modem connector  | 
| 
 CONNECTIONS  | |||
| 
 Purpose  | 
 Location  | 
 Purpose  | 
 Location  | 
| 
 AGP slot  | 
 AGP  | 
 Wake on LAN connector  | 
 C12  | 
| 
 ATX power connector  | 
 ATX  | 
 Wake on modem connector  | 
 C13  | 
| 
 IDE interface LED  | 
 C1  | 
 Parallel port  | 
 CN1  | 
| 
 Reset switch  | 
 C2  | 
 Serial port 1  | 
 CN2  | 
| 
 Speaker  | 
 C3  | 
 Serial port 2  | 
 CN3  | 
| 
 Soft off power supply  | 
 C4  | 
 USB connector 1  | 
 CN4  | 
| 
 Power LED  | 
 C5  | 
 USB connector 2  | 
 CN5  | 
| 
 Green PC LED  | 
 C6  | 
 PS/2 mouse port  | 
 CN6  | 
| 
 Green PC connector  | 
 C7  | 
 Floppy drive interface  | 
 CN7  | 
| 
 Chassis security connector  | 
 C8  | 
 IDE interface 1  | 
 CN8  | 
| 
 SB-link connector  | 
 C9  | 
 IDE interface 2  | 
 CN9  | 
| 
 CPU fan power  | 
 C10  | 
 IR connector  | 
 IR1  | 
| 
 Chassis fan power  | 
 C11  | 
 32-bit PCI slots  | 
 PC1 – PC3  | 
| 
 USER CONFIGURABLE SETTINGS  | |||
| 
 Function  | 
 Label  | 
 Position  | |
| 
 »  | 
 CMOS memory normal operation  | 
 JCC  | 
 Pins 2 & 3 closed  | 
| 
 CMOS memory clear  | 
 JCC  | 
 Pins 1 & 2 closed  | |
| 
 DIMM CONFIGURATION  | ||
| 
 Size  | 
 Bank 0  | 
 Bank 1  | 
| 
 8MB  | 
 (1) 1M x 64  | 
 None  | 
| 
 16MB  | 
 (1) 2M x 64  | 
 None  | 
| 
 16MB  | 
 (1) 1M x 64  | 
 (1) 1M x 64  | 
| 
 24MB  | 
 (1) 2M x 64  | 
 (1) 1M x 64  | 
| 
 32MB  | 
 (1) 4M x 64  | 
 None  | 
| 
 32MB  | 
 (1) 2M x 64  | 
 (1) 2M x 64  | 
| 
 40MB  | 
 (1) 4M x 64  | 
 (1) 1M x 64  | 
| 
 48MB  | 
 (1) 4M x 64  | 
 (1) 2M x 64  | 
| 
 64MB  | 
 (1) 8M x 64  | 
 None  | 
| 
 64MB  | 
 (1) 4M x 64  | 
 (1) 4M x 64  | 
| 
 72MB  | 
 (1) 8M x 64  | 
 (1) 1M x 64  | 
| 
 80MB  | 
 (1) 8M x 64  | 
 (1) 2M x 64  | 
| 
 96MB  | 
 (1) 8M x 64  | 
 (1) 4M x 64  | 
| 
 128MB  | 
 (1) 8M x 64  | 
 (1) 8M x 64  | 
| 
 DIMM CONFIGURATION (CON’T)  | ||
| 
 Size  | 
 Bank 0  | 
 Bank 1  | 
| 
 128MB  | 
 (1) 16M x 64  | 
 None  | 
| 
 136MB  | 
 (1) 16M x 64  | 
 (1) 1M x 64  | 
| 
 144MB  | 
 (1) 16M x 64  | 
 (1) 2M x 64  | 
| 
 160MB  | 
 (1) 16M x 64  | 
 (1) 4M x 64  | 
| 
 192MB  | 
 (1) 16M x 64  | 
 (1) 8M x 64  | 
| 
 256MB  | 
 (1) 16M x 64  | 
 (1) 16M x 64  | 
| 
 256MB  | 
 (1) 32M x 64  | 
 None  | 
| 
 264MB  | 
 (1) 32M x 64  | 
 (1) 1M x 64  | 
| 
 272MB  | 
 (1) 32M x 64  | 
 (1) 2M x 64  | 
| 
 288MB  | 
 (1) 32M x 64  | 
 (1) 4M x 64  | 
| 
 320MB  | 
 (1) 32M x 64  | 
 (1) 8M x 64  | 
| 
 384MB  | 
 (1) 32M x 64  | 
 (1) 16M x 64  | 
| 
 512MB  | 
 (1) 32M x 64  | 
 (1) 32M x 64  | 
| 
 Note: Board accepts EDO & SDRAM memory. Maximum SDRAM is 256MB. Maximum EDO is 512MB.  | ||
| 
 CACHE CONFIGURATION  | 
| 
 Note: 256KB/512KB cache is located on the Pentium II CPU. 128KB cache is located on the Celeron 300A & 333 CPU.  |