VEXTREC
GMB-P6LIAK (VER. 1.04)
| 
 Device Type  | 
 Mainboard  | 
| 
 Processor  | 
 Pentium II  | 
| 
 Processor Speed  | 
 233/266/300/333MHz  | 
| 
 Chip Set  | 
 Intel 440LX  | 
| 
 Maximum Onboard Memory  | 
 512MB (EDO & SDRAM supported)  | 
| 
 BIOS  | 
 Unidentified  | 
| 
 I/O Options  | 
 32-bit PCI slots (4), floppy drive interface, IDE interface, parallel port, PS/2 mouse port, serial ports (2)  | 
| 
 Dimensions  | 
 305mm x 217mm  | 
| 
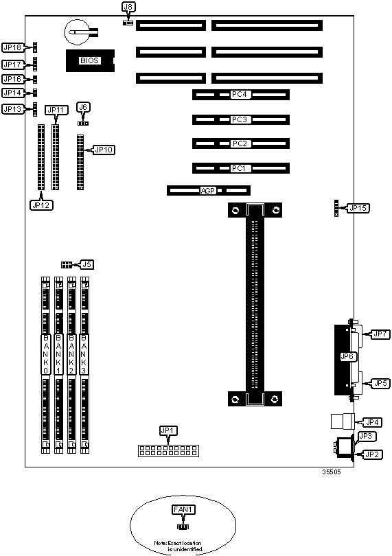
 CONNECTIONS  | |||
| 
 Purpose  | 
 Location  | 
 Purpose  | 
 Location  | 
| 
 CPU fan power  | 
 FAN1  | 
 IDE interface 1  | 
 JP11  | 
| 
 ATX power connector  | 
 JP1  | 
 IDE interface 2  | 
 JP12  | 
| 
 AT keyboard port  | 
 JP2  | 
 IDE interface LED  | 
 JP13  | 
| 
 PS/2 mouse port  | 
 JP3  | 
 Power on/off switch connector  | 
 JP14  | 
| 
 USB connector  | 
 JP4  | 
 IR connector  | 
 JP15  | 
| 
 Serial port 1  | 
 JP5  | 
 Reset switch  | 
 JP16  | 
| 
 Parallel port  | 
 JP6  | 
 Speaker  | 
 JP17  | 
| 
 Serial port 2  | 
 JP7  | 
 Power LED  | 
 JP18  | 
| 
 Floppy drive interface  | 
 JP10  | 
 32-bit PCI slots  | 
 PC1 - PC4  | 
| 
 USER CONFIGURABLE SETTINGS  | |||
| 
 Function  | 
 Label  | 
 Position  | |
| 
 »  | 
 CMOS memory normal operation  | 
 J6  | 
 Pins 1 & 2 closed  | 
| 
 CMOS memory clear  | 
 J6  | 
 Pins 2 & 3 closed  | |
| 
 »  | 
 Flash BIOS voltage select 5v  | 
 J8  | 
 Pins 1 & 2 closed  | 
| 
 Flash BIOS voltage select 12v  | 
 J8  | 
 Pins 2 & 3 closed  | |
| 
 DRAM CONFIGURATION  | ||||
| 
 Size  | 
 Bank 0  | 
 Bank 1  | 
 Bank 2  | 
 Bank 3  | 
| 
 8MB  | 
 (1) 1MB x 64  | 
 None  | 
 None  | 
 None  | 
| 
 16MB  | 
 (1) 1MB x 64  | 
 (1) 1MB x 64  | 
 None  | 
 None  | 
| 
 16MB  | 
 (1) 2MB x 64  | 
 None  | 
 None  | 
 None  | 
| 
 24MB  | 
 (1) 1MB x 64  | 
 (1) 1MB x 64  | 
 (1) 1MB x 64  | 
 None  | 
| 
 24MB  | 
 (1) 2MB x 64  | 
 (1) 1MB x 64  | 
 None  | 
 None  | 
| 
 32MB  | 
 (1) 1MB x 64  | 
 (1) 1MB x 64  | 
 (1) 1MB x 64  | 
 (1) 1MB x 64  | 
| 
 32MB  | 
 (1) 2MB x 64  | 
 (1) 2MB x 64  | 
 None  | 
 None  | 
| 
 32MB  | 
 (1) 4MB x 64  | 
 None  | 
 None  | 
 None  | 
| 
 32MB  | 
 (1) 2MB x 64  | 
 (1) 1MB x 64  | 
 (1) 1MB x 64  | 
 None  | 
| 
 48MB  | 
 (1) 2MB x 64  | 
 (1) 2MB x 64  | 
 (1) 2MB x 64  | 
 None  | 
| 
 48MB  | 
 (1) 4MB x 64  | 
 (1) 2MB x 64  | 
 None  | 
 None  | 
| 
 64MB  | 
 (1) 2MB x 64  | 
 (1) 2MB x 64  | 
 (1) 2MB x 64  | 
 (1) 2MB x 64  | 
| 
 64MB  | 
 (1) 4MB x 64  | 
 (1) 4MB x 64  | 
 None  | 
 None  | 
| 
 64MB  | 
 (1) 8MB x 64  | 
 None  | 
 None  | 
 None  | 
| 
 64MB  | 
 (1) 4MB x 64  | 
 (1) 2MB x 64  | 
 (1) 2MB x 64  | 
 None  | 
| 
 96MB  | 
 (1) 4MB x 64  | 
 (1) 4MB x 64  | 
 (1) 4MB x 64  | 
 None  | 
| 
 96MB  | 
 (1) 8MB x 64  | 
 (1) 4MB x 64  | 
 None  | 
 None  | 
| 
 120MB  | 
 (1) 8MB x 64  | 
 (1) 4MB x 64  | 
 (1) 2MB x 64  | 
 (1) 1MB x 64  | 
| 
 128MB  | 
 (1) 4MB x 64  | 
 (1) 4MB x 64  | 
 (1) 4MB x 64  | 
 (1) 4MB x 64  | 
| 
 128MB  | 
 (1) 8MB x 64  | 
 (1) 8MB x 64  | 
 None  | 
 None  | 
| 
 128MB  | 
 (1) 16MB x 64  | 
 None  | 
 None  | 
 None  | 
| 
 128MB  | 
 (1) 8MB x 64  | 
 (1) 4MB x 64  | 
 (1) 4MB x 64  | 
 None  | 
| 
 192MB  | 
 (1) 8MB x 64  | 
 (1) 8MB x 64  | 
 (1) 8MB x 64  | 
 None  | 
| 
 192MB  | 
 (1) 16MB x 64  | 
 (1) 8MB x 64  | 
 None  | 
 None  | 
| 
 DRAM CONFIGURATION (CONT.)  | ||||
| 
 Size  | 
 Bank 0  | 
 Bank 1  | 
 Bank 2  | 
 Bank 3  | 
| 
 240MB  | 
 (1) 16MB x 64  | 
 (1) 8MB x 64  | 
 (1) 4MB x 64  | 
 (1) 2MB x 64  | 
| 
 256MB  | 
 (1) 8MB x 64  | 
 (1) 8MB x 64  | 
 (1) 8MB x 64  | 
 (1) 8MB x 64  | 
| 
 256MB  | 
 (1) 16MB x 64  | 
 (1) 16MB x 64  | 
 None  | 
 None  | 
| 
 256MB  | 
 (1) 32MB x 64  | 
 None  | 
 None  | 
 None  | 
| 
 256MB  | 
 (1) 16MB x 64  | 
 (1) 8MB x 64  | 
 (1) 8MB x 64  | 
 None  | 
| 
 384MB  | 
 (1) 16MB x 64  | 
 (1) 16MB x 64  | 
 (1) 16MB x 64  | 
 None  | 
| 
 384MB  | 
 (1) 32MB x 64  | 
 (1) 16MB x 64  | 
 None  | 
 None  | 
| 
 448MB  | 
 (1) 32MB x 64  | 
 (1) 16MB x 64  | 
 (1) 8MB x 64  | 
 (1) 4MB x 64  | 
| 
 512MB  | 
 (1) 16MB x 64  | 
 (1) 16MB x 64  | 
 (1) 16MB x 64  | 
 (1) 16MB x 64  | 
| 
 512MB  | 
 (1) 32MB x 64  | 
 (1) 32MB x 64  | 
 None  | 
 None  | 
| 
 512MB  | 
 (1) 32MB x 64  | 
 (1) 16MB x 64  | 
 (1) 16MB x 64  | 
 None  | 
| 
 768MB  | 
 (1) 32MB x 64  | 
 (1) 32MB x 64  | 
 (1) 32MB x 64  | 
 None  | 
| 
 1024MB  | 
 (1) 32MB x 64  | 
 (1) 32MB x 64  | 
 (1) 32MB x 64  | 
 (1) 32MB x 64  | 
| 
 CPU SPEED SELECTION (PENTIUM)  | |||||
| 
 CPU Speed  | 
 Clock Speed  | 
 Multiplier  | 
 JP5/pins 1 & 2  | 
 JP5/pins 3 & 4  | 
 JP5/pins 5 & 6  | 
| 
 233MHz  | 
 66MHz  | 
 3.5x  | 
 Open  | 
 Open  | 
 Closed  | 
| 
 266MHz  | 
 66MHz  | 
 4.0x  | 
 Closed  | 
 Closed  | 
 Open  | 
| 
 300MHz  | 
 66MHz  | 
 4.5x  | 
 Open  | 
 Closed  | 
 Open  | 
| 
 333MHz  | 
 66MHz  | 
 5.0x  | 
 Closed  | 
 Open  | 
 Open  |